{{alert.message}}

veiligheidsdeurslot insteek nemef

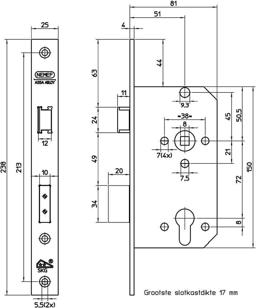
4139/17 PC72MM DIN L/R SKG**

Artikelnummer: 00320519
EAN: 8713515136981

Direct leverbaar
25 stuks in vestiging Centraal magazijn
  • PC 72
  • Doornm. 50mm
  • RVS voorplaat
icon icon icon icon icon

88,63
Korting: 12 %

77,99

incl. btw 94,37

Productomschrijving

Toepassing

  • Geschikt voor toepassing in buitendeuren in woningbouw.


Specificaties

  • Voldoet aan SKG** en is toepasbaar binnen het Politiekeurmerk Veilig Wonen
  • Geschikt voor toepassing volgens NEN 5096 inbraakwerendheidsklasse 2 i.c.m. 2 veiligheidsbijzetsloten
  • Volledig gesloten slotkast voorkomt binnendringen vuil voor lange probleemloze werking
  • Voor links- en rechtsdraaiende deuren door eenvoudig omlegbare dagschoot
  • Uniforme slotkastafmeting met 65, 66 en 500-serie
  • Messing dagschoot voor het soepel sluiten van de deur
  • 17 mm europrofielcilinder
  • Messing nachtschoot (1-toers) met zaagbelemmering voor een hogere veiligheid
  • Rvs rechthoekige of afgeronde voorplaat
  • Levering inclusief sluitplaat P 4319/17

Technische gegevens

model voorplaatrechthoekig
draairichtingrechts